规范网
更新
当前位置:
规范网
资料
内容详情
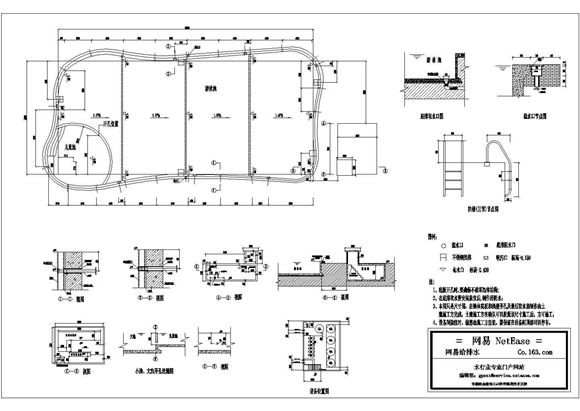
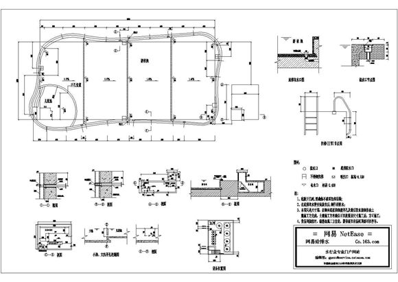
某游泳池改造成套图纸
某游泳池改造成套图纸
某游泳池改造成套图纸
某游泳池改造成套图纸。
加入收藏
下载文件
声明:资源收集自网络或用户分享,仅供学习参考,如侵犯您的权益,请联系我们处理。
不能下载?报告错误
下页:
踢脚线设计 某住宅室内踢脚线节点设计cad图纸
相关推荐
24S605图集 游泳池给水排水设计及附件安装
游泳池用双轴向经编增强材料 (T/ZZB 3645-2024)
健身场所管理运营服务等级划分与评定 第2 部分:游泳池(馆) (T/SCSVA 0004.2-2024)
游泳池给水排水工程技术手册
深圳市游泳池跳水馆防水施工方案
某游泳池改造成套图纸
下载文件
免费下载
标签
会议标准
广播电影电视规范
酒店工作计划
05s502
听课报告
煤炭规范
布线标准
农业规范
行政总结
装修
铆钉标准
市政
包装标准
安全标准
幼儿园工作计划
江苏省标准
纪检总结
供销合作规范
包装规范
蝶阀标准
线材标准
学校领导讲话稿
过滤器标准
卫生规范
压力容器标准
建筑标准
农业标准
学校通知