当前位置:首页  资料内容详情

某大型食品冷冻站设计cad工艺流程图(标注详细)

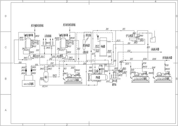
某大型食品冷冻站设计cad工艺流程图(标注详细) 本资料为:某大型食品冷冻站设计cad工艺流程图(标注详细);内含:工艺流程图、设施标注、图例等;内容设计规范,很详细,可供参考。

某大型食品冷冻站设计cad工艺流程图(标注详细)

声明:本站为网络服务提供者及网络索引服务平台资源索引自网络/用户分享,如有版权问题,请联系站方删除。

不能下载?报告错误