当前位置:首页  资料内容详情

某酿酒设备精馏塔详细设计图

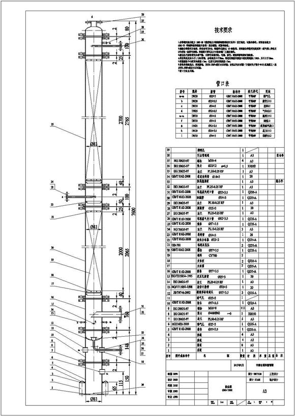
某酿酒设备精馏塔详细设计图 本工程为某酿酒设备精馏塔详细设计图,包含甲醇水填料精馏塔结构图等,图纸内容完整,表达清晰,制图严谨,欢迎设计师下载使用。

某酿酒设备精馏塔详细设计图

声明:本站为网络服务提供者及网络索引服务平台资源索引自网络/用户分享,如有版权问题,请联系站方删除。

不能下载?报告错误