
某地水环真空泵机组基础安装设计图

某地水环真空泵机组基础安装设计图

某地水环真空泵机组基础安装设计图
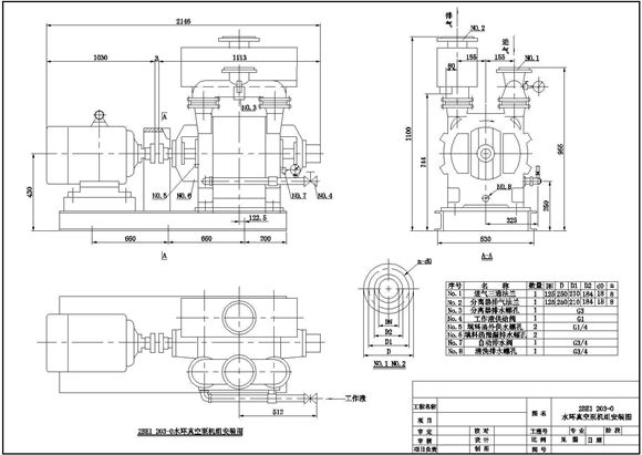
某地水环真空泵机组基础安装设计图,图纸内容包括:水环真空泵机组基础图、水环真空泵机组安装设计图、水环真空泵机组基础结构图。

某地水环真空泵机组基础安装设计图

某地水环真空泵机组基础安装设计图

某地水环真空泵机组基础安装设计图
某地水环真空泵机组基础安装设计图,图纸内容包括:水环真空泵机组基础图、水环真空泵机组安装设计图、水环真空泵机组基础结构图。
声明:资源收集自网络或用户分享,仅供学习参考,如侵犯您的权益,请联系我们处理。
不能下载?报告错误