规范网
更新
当前位置:
首页
资料
内容详情
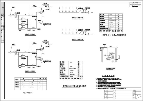
人防送排风系统原理图
帮助
举报
收藏
上传文档
下载
预览图
人防送排风系统原理图 此图为人防送、排风系统原理图。
人防送排风系统原理图
收藏
下载
声明:本站为网络服务提供者及网络索引服务平台资源索引自网络/用户分享,如有版权问题,请
联系
站方删除。
不能下载?报告错误
下页:
某轴流风机安装示意设计cad图 轴流风机设计
相关推荐
QGDW 11656-2025 配电线路金具技术规范
QGDW 11646-2025 7.2kV40.5kV绝缘管型母线技术规范
QGDW 11250.3-2025 中压开关技术规范 第3部分 中压开关柜
QGDW 11250.2-2025 中压开关技术规范 第2部分 环网柜(箱)
QGDW 10393.3-2025 变电站设计规范 第3部分 220kV变电站
人防送排风系统原理图
下载
免费下载
用户名称:
-yao7205
注册时间:
2025-11-03
认证方式:
手机认证
资源帮助
上传文档
标签
工程总结
紧固件标准
过滤器标准
城市轨道
个人自我介绍
平垫圈标准
检验标准
测绘规范
煤炭规范
安全生产
垫圈标准
无缝钢管标准
社会实践报告
转正申请
外经贸规范
球墨铸铁管标准
口罩标准
土地管理规范
设计图
金融规范
图集
化工规范
地震规范
采购总结
硬度标准
能源规范
内蒙古自治区标准
城镇建设规范