规范网
更新
当前位置:
规范网
资料
内容详情
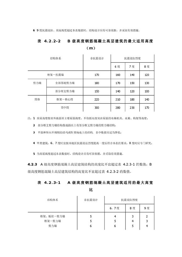
高层建筑高宽比的规定
高层建筑高宽比的规定
高层建筑高宽比的规定
高层建筑高宽比的规定
高层建筑对高宽比有一点的规定,这个对初学者来说,容易忽略
加入收藏
下载文件
声明:资源收集自网络或用户分享,仅供学习参考,如侵犯您的权益,请联系我们处理。
不能下载?报告错误
下页:
地基验槽记录和地基处理记录(表格).doc
相关推荐
新疆建筑科学研究院商务管理手册(施工类)
中建八局机电安装工程质量标准化系列做法(建筑给排水、电气、暖通部分)
装配式建筑介绍与装配式结构施工工艺及质量控制-PPT培训课件
既有建筑改建养老设施消防设计规范 (DB6101/T 3233-2025)
闽2023-G-04图集 福建省建筑铝合金外窗结构设计图集
高层建筑高宽比的规定
下载文件
免费下载
标签
07sd101-8
土地管理规范
银行工作计划
转正申请
文化规范
思想汇报
测绘规范
会议标准
卫生规范
供销合作规范
活动总结
装修
教育规范
山东省标准
税务规范
阻燃标准
机械制图标准
青海省标准
航天规范
电气安全标准
医药规范
认证认可规范
海洋规范
压力容器标准
党员总结
安全帽标准
12j201
探伤标准