规范网
更新
当前位置:
规范网
资料
内容详情
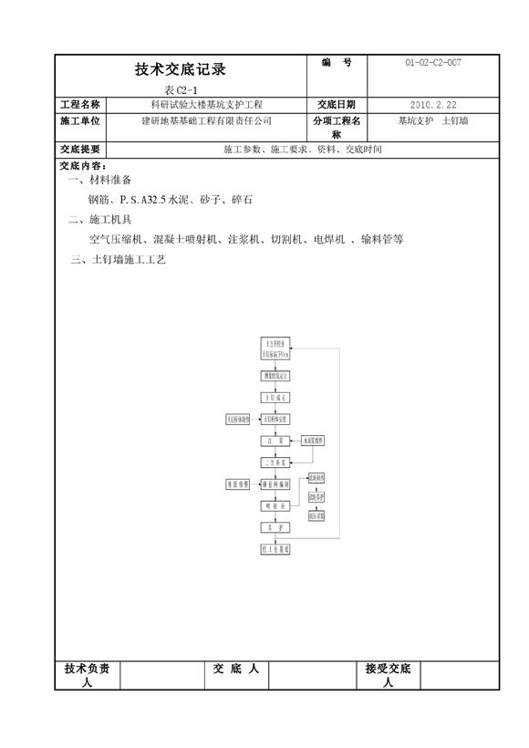
基坑支护技术交底
基坑支护技术交底
基坑支护技术交底
基坑支护技术交底
基坑支护技术交底
加入收藏
下载文件
声明:资源收集自网络或用户分享,仅供学习参考,如侵犯您的权益,请联系我们处理。
不能下载?报告错误
下页:
施工现场工地标准晴雨表WORD格式
相关推荐
一般砖砌体砌筑施工交底记录
人工挖土施工交底
全现浇结构(大模板)轻骨料混凝土施工交底记录
料石砌筑施工交底记录
抹水泥砂浆施工交底记录
基坑支护技术交底
下载文件
免费下载
标签
中医药规范
阀门标准
会议标准
食品安全标准
教育规范
路桥
手册
最新更新
环境保护规范
讲话稿
市政
食用盐标准
污染物排放标准
林业规范
紧固件标准
海南省标准
弱电
纺织规范
学习总结
医院工作计划
管件标准
饮用水标准
iec标准
贵州省标准
烟草规范
江西省标准
螺纹标准
钢结构标准