
涂装前处理喷淋清洗线详细设计图,图中有详细设计参数

涂装前处理喷淋清洗线详细设计图,图中有详细设计参数

涂装前处理喷淋清洗线详细设计图,图中有详细设计参数
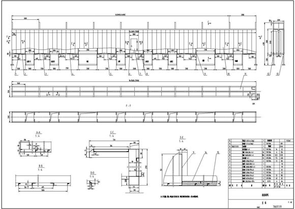
涂装前处理喷淋清洗线详细设计图,图中有详细设计参数设备能耗:3.清洗机小时最大热耗量:800kg/h,平均耗量:500kg/h,蒸汽压力0.3MPa4.清洗机排气量:2x7000m3/h,风机风

涂装前处理喷淋清洗线详细设计图,图中有详细设计参数

涂装前处理喷淋清洗线详细设计图,图中有详细设计参数

涂装前处理喷淋清洗线详细设计图,图中有详细设计参数
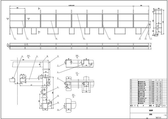
涂装前处理喷淋清洗线详细设计图,图中有详细设计参数设备能耗:3.清洗机小时最大热耗量:800kg/h,平均耗量:500kg/h,蒸汽压力0.3MPa4.清洗机排气量:2x7000m3/h,风机风
声明:资源收集自网络或用户分享,仅供学习参考,如侵犯您的权益,请联系我们处理。
不能下载?报告错误