
地下车库防火设计规范

地下车库防火设计规范

地下车库防火设计规范
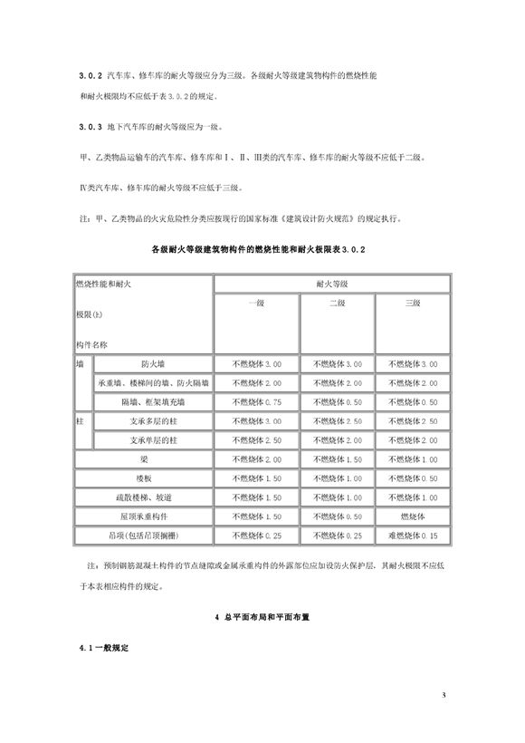
1总则1.0.1为了防止和减少火灾对汽车库、修车库、停车场的危害,保护人身和财产的安全,制定本规范。1.0.2本规范适用于新建、扩建和改建的汽车库、修车库、停车场以下统称车库防火设计,不适

地下车库防火设计规范

地下车库防火设计规范

地下车库防火设计规范
1总则1.0.1为了防止和减少火灾对汽车库、修车库、停车场的危害,保护人身和财产的安全,制定本规范。1.0.2本规范适用于新建、扩建和改建的汽车库、修车库、停车场以下统称车库防火设计,不适
声明:资源收集自网络或用户分享,仅供学习参考,如侵犯您的权益,请联系我们处理。
不能下载?报告错误