
肉类加工工业水污染物排放标准_GB13457-92

肉类加工工业水污染物排放标准_GB13457-92

肉类加工工业水污染物排放标准_GB13457-92
肉类加工工业水污染物排放标准_GB13457-92

肉类加工工业水污染物排放标准_GB13457-92

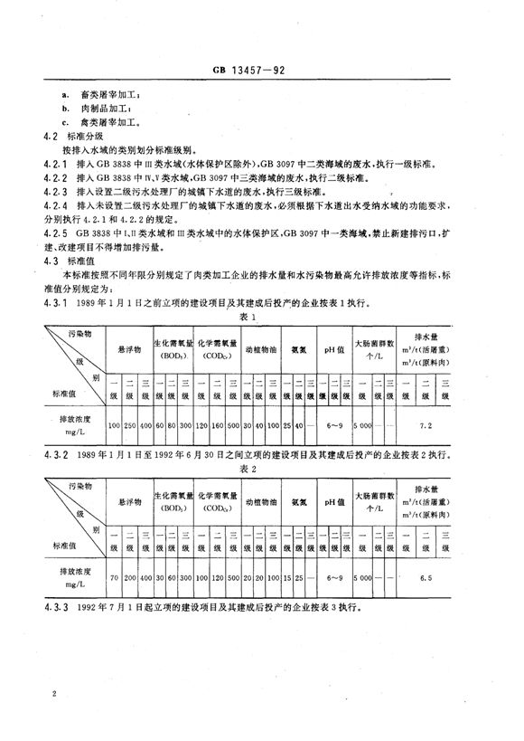
肉类加工工业水污染物排放标准_GB13457-92

肉类加工工业水污染物排放标准_GB13457-92
肉类加工工业水污染物排放标准_GB13457-92
声明:资源收集自网络或用户分享,仅供学习参考,如侵犯您的权益,请联系我们处理。
不能下载?报告错误