当前位置:首页  资料内容详情

剧场耳光室设计参考

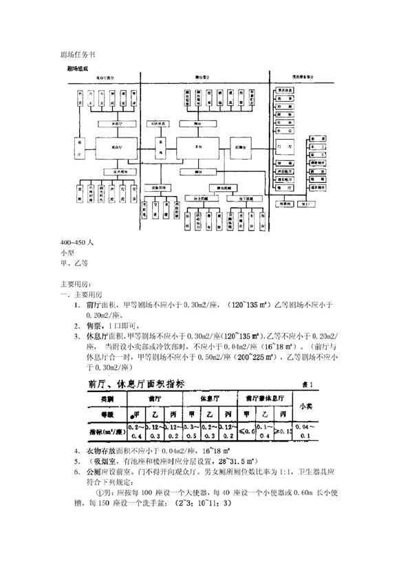
剧场耳光室设计参考 剧场耳光室设计参考 剧场耳光室设计参考 8.耳光室耳光室:第一道耳光室位置应使灯具光轴经台口边沿,射向表演区的水平投影与舞台中轴线所形成的水平夹角不应大于45°,并应使边座观众能看到台口侧...

剧场耳光室设计参考

声明:本站为网络服务提供者及网络索引服务平台资源索引自网络/用户分享,如有版权问题,请联系站方删除。

不能下载?报告错误