规范网
更新
当前位置:
规范网
资料
内容详情
预制构件模板工程
预制构件模板工程
预制构件模板工程
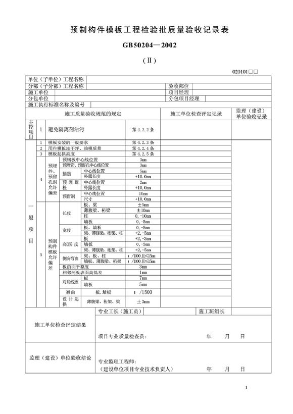
在涂刷模板隔离剂时,不得沾污钢筋和混凝土接搓处。观察检查。
加入收藏
下载文件
声明:资源收集自网络或用户分享,仅供学习参考,如侵犯您的权益,请联系我们处理。
不能下载?报告错误
下页:
建设项目工程结算编审规程(中价协(2007)015号)
相关推荐
装配式建筑介绍与装配式结构施工工艺及质量控制-PPT培训课件
绿城-全套标准施工工艺参考节点做法-210页-图文并茂
装配式钢结构工程施工工艺标准 (DB64/T 2127-2025)
超全机电安装工程施工工艺解析(230页)-PPT培训讲义
碧桂园 精装修工程瓷片及抛光砖施工工艺 63页培训PPT资料
预制构件模板工程
下载文件
免费下载
标签
幼儿园工作计划
个人自我介绍
平键标准
电气设备标准
水利规范
无缝钢管标准
听课报告
学校领导讲话稿
机械制图标准
结构
链轮标准
水产规范
包装标准
航天规范
医院总结
社会实践报告
消防救援规范
银行工作计划
银行总结
抽样标准
12j201
云南省标准
布线标准
放假通知
矿泉水标准
装修
垫圈标准
河北省标准