当前位置:首页  资料内容详情

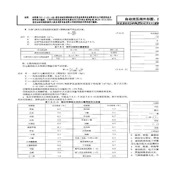
气体灭火(七氟丙烷)设计用量计算

气体灭火(七氟丙烷)设计用量计算 气体灭火(七氟丙烷)设计用量计算 气体灭火(七氟丙烷)设计用量计算 气体灭火(七氟丙烷)设计用量计算,并有开口尺寸计算,并附有相关设计依据和图集做法

气体灭火(七氟丙烷)设计用量计算

声明:本站为网络服务提供者及网络索引服务平台资源索引自网络/用户分享,如有版权问题,请联系站方删除。

不能下载?报告错误