
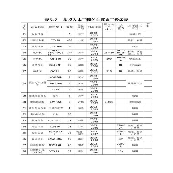
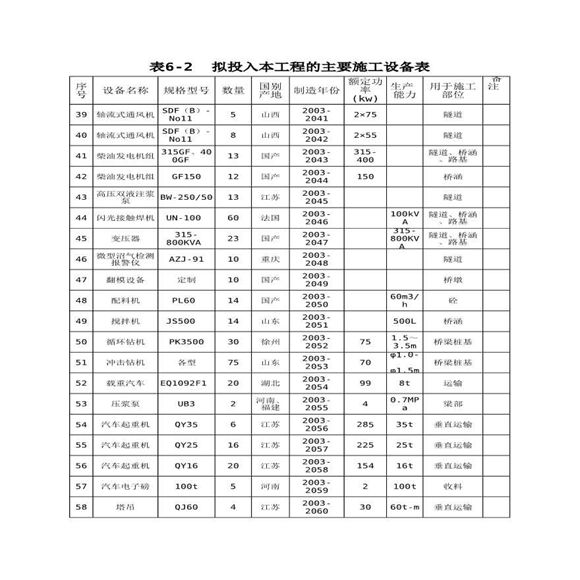
拟投入本工程的主要施工设备表

拟投入本工程的主要施工设备表

拟投入本工程的主要施工设备表
设备名称规格型号数量国别产地制造年份额定功率(kw)生产能力用于施工部位挖掘机三一SY42060长沙2005-20081402m3路基、桥涵、隧道履带式推土机D9

拟投入本工程的主要施工设备表

拟投入本工程的主要施工设备表

拟投入本工程的主要施工设备表
设备名称规格型号数量国别产地制造年份额定功率(kw)生产能力用于施工部位挖掘机三一SY42060长沙2005-20081402m3路基、桥涵、隧道履带式推土机D9
声明:资源收集自网络或用户分享,仅供学习参考,如侵犯您的权益,请联系我们处理。
不能下载?报告错误