规范网
更新
当前位置:
规范网
资料
内容详情
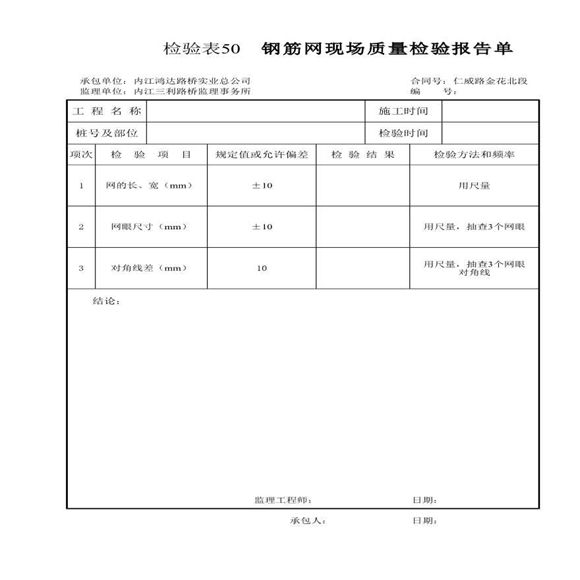
某钢筋网现场质量检验报告单
某钢筋网现场质量检验报告单
规定值或允许偏差,检验方法和频率,用尺量,抽查3个网眼,用尺量,抽查3个网眼对角线
加入收藏
下载文件
声明:资源收集自网络或用户分享,仅供学习参考,如侵犯您的权益,请联系我们处理。
不能下载?报告错误
下页:
某混凝土抗压强度试验报告单汇总表
相关推荐
承插型盘扣式钢管脚手架全套培训资料(含ppt课件、视频、表格、方案共9个文件)
碧桂园 精装修工程瓷片及抛光砖施工工艺 63页培训PPT资料
录井资料质量控制规范 (SY/T 6438-2024)
井中地震资料采集技术规程 (SY/T 5454-2024)
1∶5000 1∶10000基础地理信息数据更新成果资料汇交技术要求 (DB34/T 4983-2025)
某钢筋网现场质量检验报告单
下载文件
免费下载
标签
16s518
硬度标准
16g101-1
电气设备标准
讲话稿
林业规范
金融规范
数据标准
民政规范
医药规范
新疆维吾尔自治区标准
能源规范
密封圈标准
广西省标准
公司总结
江西省标准
石油天然气规范
市政
物资管理规范
思想汇报
人防
化工规范
质量管理体系标准
紧固件标准
消防救援规范
稀土规范
认证认可规范
最新更新