规范网
更新
当前位置:
首页
资料
内容详情
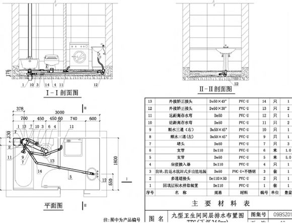
09BSZ01同层排水图集
帮助
举报
收藏
上传文档
下载
预览图
09BSZ01同层排水图集 卫生间同层排水安装图籍
09BSZ01同层排水图集
收藏
下载
声明:本站为网络服务提供者及网络索引服务平台资源索引自网络/用户分享,如有版权问题,请
联系
站方删除。
不能下载?报告错误
下页:
给排水计算工具集(超好用)
相关推荐
中建八局机电安装工程质量标准化系列做法(建筑给排水、电气、暖通部分)
青18S6、青18S7、青18S8图集 给排水专业(三)消防工程、中水回用工程、湿陷性黄土地区 室外管道
电气、给排水、暖通、消防工程重点施工工艺-图文PPT讲义
园林给排水分项工程施工工艺规程 (DB11/T 1435-2024)
给排水科学与工程专业应用型本科毕业设计指导标准 (T/TJ 0025-2024)
09BSZ01同层排水图集
下载
免费下载
用户名称:
一别西风又一年
注册时间:
2023-06-06
认证方式:
手机认证
资源帮助
上传文档
标签
湖北省标准
吉林省标准
不锈钢标准
广播电影电视规范
石油天然气规范
工作通知
个人自我介绍
机械规范
金融规范
电力资料
校车标准
照明标准
12j201
11zj901
角钢标准
口罩标准
学校领导讲话稿
06ms201-3
安全标准
12j003
民用航空规范
邮政规范
学校工作计划
密封圈标准
螺母标准
广西省标准
技术总结
能源资料