规范网
更新
当前位置:
首页
资料
内容详情
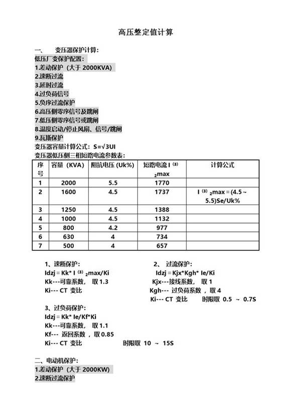
高压整定值计算公式
帮助
举报
收藏
上传文档
下载
预览图
该资料大小估算0.06MB,高压整定值计算公式共4页,doc格式
高压整定值计算公式
收藏
下载
声明:本站为网络服务提供者及网络索引服务平台资源索引自网络/用户分享,如有版权问题,请
联系
站方删除。
不能下载?报告错误
下页:
高压开关柜检修作业指导书
相关推荐
高压开关柜检修作业指导书
电力10kV及以上高压电缆试验作业指导书
变电站一次设备培训-高压断路器
10KV高压电缆中间热缩接头制作详细过程
10kV35kV高压电缆载流量表
高压整定值计算公式
下载
免费下载
用户名称:
-王珍4587
注册时间:
2023-03-15
认证方式:
手机认证
资源帮助
上传文档
标签
国家电网
无缝钢管标准
吉林省标准
内蒙古自治区标准
结构
建筑工程规范
甘肃省标准
新闻出版规范
胶合板标准
螺钉标准
学习总结
动平衡标准
学期总结
电动车标准
项目总结
建筑
教师发言稿
烟草规范
电力规范
退刀槽标准
压力容器标准
电力资料
供销合作规范
安全标准
工程计算表
个人工作计划
个人总结
广东省标准