该资料大小估算0.2MB,互感器,隔离开关,绝缘子预防性试验指导共4页,pdf格式
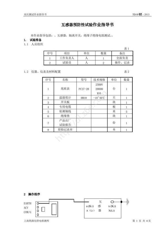
互感器预防性试验指导:1.绝缘电阻测试:测量一次对二次及地绝缘电阻,通常使用2500V兆欧表,标准值不低于1000MΩ2.变比测试:检查实际变比与铭牌是否一致,误差不超过±0.5%3.极性测试:确认极性正确,防止接线错误4.直流电阻测试:测量绕组直流电阻,与出厂值比较偏差不超过±2%5.耐压试验:工频耐压试验电压为出厂值的80%,时间1分钟隔离开关预防性试验指导:1.绝缘电阻测试:测量断口间及对地绝缘电阻,使用2500V兆欧表,标准值不低于1000MΩ2.回路电阻测试:测量导电回路电阻,与初始值比较变化不超过20%3.操作机构检查:检查分合闸操作是否灵活,无卡涩4.接触压力测试:检查触头接触压力是否符合要求5.耐压试验:对断口进行工频耐压试验绝缘子预防性试验指导:1.绝缘电阻测试:使用2500V或5000V兆欧表测量,悬式绝缘子不低于300MΩ,支柱绝缘子不低于1000MΩ2.耐压试验:工频耐压试验1分钟,无闪络或击穿3.超声波检测:检测内部缺陷4.红外测温:检查运行中是否有异常发热5.外观检查:检查表面有无裂纹、破损、污秽等试验周期建议:-新投运设备:1年后进行首次试验-运行中设备:35kV及以下3-4年一次,110kV及以上2-3年一次-特殊情况:异常运行或故障后应增加试验
