该资料大小估算0.16MB,电力电缆预防性试验共1页,pdf格式
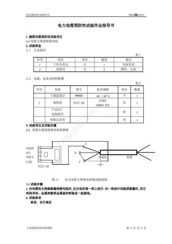
电力电缆预防性试验是为了确保电缆在运行中的安全性和可靠性,通过定期检测来发现潜在缺陷和老化问题。主要试验项目包括:1.绝缘电阻测试:测量电缆绝缘层的电阻值,判断绝缘性能是否良好。2.直流耐压试验:施加高于额定电压的直流电压,检查电缆绝缘强度。3.交流耐压试验:用交流电压测试电缆的绝缘性能,比直流更接近实际运行状态。4.局部放电测试:检测电缆内部局部放电情况,发现绝缘缺陷。5.介质损耗角正切(tanδ)测试:评估绝缘材料的老化程度。6.电缆护套试验:检查外护套的绝缘性能和完整性。这些试验通常按照电力行业标准和电缆运行年限定期进行,能有效预防电缆故障,延长使用寿命。试验周期一般为1-3年,重要电缆或老旧电缆应缩短周期。试验前需做好安全措施,由专业人员进行操作。
