该资料大小估算0.18MB,断路器预防性试验共3页,pdf格式
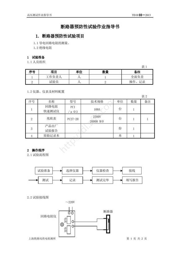
断路器预防性试验是为了确保断路器在电力系统中能够可靠运行,防止故障发生而进行的一系列检查和测试。这些试验通常在设备正常运行期间定期进行,目的是及时发现潜在问题,避免设备在关键时刻失效。预防性试验主要包括以下几个方面:1.绝缘电阻测试:测量断路器各部分的绝缘电阻,确保绝缘性能良好,防止漏电或击穿。2.接触电阻测试:检查断路器触头的接触电阻,确保接触良好,避免因接触不良导致过热或烧毁。3.机械特性测试:测试断路器的分合闸时间、速度、同期性等机械性能,确保其动作可靠。4.耐压试验:对断路器施加高于额定电压的试验电压,检验其绝缘强度。5.动作特性测试:验证断路器在不同电流条件下的动作特性,确保其保护功能正常。6.辅助回路检查:检查控制回路、信号回路等辅助回路的完好性。通过这些试验,可以评估断路器的健康状况,及时发现并处理潜在缺陷,延长设备使用寿命,提高电力系统的可靠性。试验周期通常根据设备类型、运行环境和历史数据等因素确定。
