规范网
更新
当前位置:
规范网
资料
内容详情
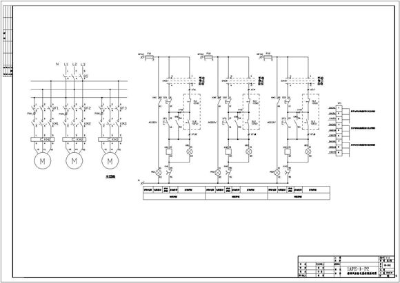
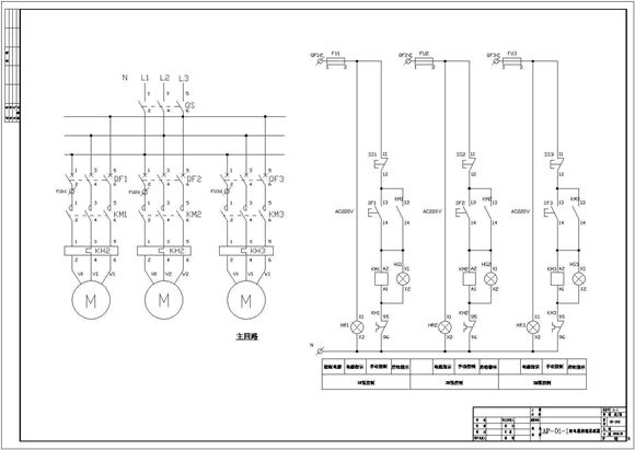
排烟风机配电箱控制原理图
排烟风机配电箱控制原理图
排烟风机配电箱控制原理图
排烟风机配电箱控制原理图
本图是排烟风机配电箱控制原理图,包括高低压系统图,配电箱接线图等等,共9张图。
加入收藏
下载文件
声明:资源收集自网络或用户分享,仅供学习参考,如侵犯您的权益,请联系我们处理。
不能下载?报告错误
下页:
苏州某广告牌结构设计图
相关推荐
坡面屋顶阵列前后间距计算和遮挡物影长计算公式V1.1
光伏专用电缆选型计算,汇流箱至逆变器电缆选型计算,短路电流计算,组串数量计算
风力发电经济评价模型案例
风电 水电效益测算分析表
分布式光伏工程报价参考计算表格
排烟风机配电箱控制原理图
下载文件
免费下载
标签
医院总结
教师发言稿
止回阀标准
党员总结
个人工作计划
山东省标准
公共安全规范
弱电
07sd101-8
地质矿产规范
广播稿
贵州省标准
教师工作计划
环境保护规范
企业工作计划
中医药规范
15j403-1
05j909
重庆市标准
出入境检验检疫规范
海洋规范
教学计划
烟草规范
轻工业规范
通信规范
螺钉标准
稀土规范
螺丝标准