
10套常见钢结构节点设计详图(共10张 标准详细)

10套常见钢结构节点设计详图(共10张 标准详细)

10套常见钢结构节点设计详图(共10张 标准详细)
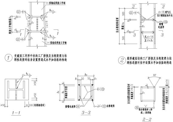
本图纸为10套常见钢结构节点设计详图(共10张标准详细)。内容包括:消能梁段与柱连接时的构造要求、箱形截面柱与十字形截面柱、十字形截面柱的刚性连接、内藏钢支撑剪力墙的混凝土墙板构造等图纸,

10套常见钢结构节点设计详图(共10张 标准详细)

10套常见钢结构节点设计详图(共10张 标准详细)

10套常见钢结构节点设计详图(共10张 标准详细)
本图纸为10套常见钢结构节点设计详图(共10张标准详细)。内容包括:消能梁段与柱连接时的构造要求、箱形截面柱与十字形截面柱、十字形截面柱的刚性连接、内藏钢支撑剪力墙的混凝土墙板构造等图纸,
声明:资源收集自网络或用户分享,仅供学习参考,如侵犯您的权益,请联系我们处理。
不能下载?报告错误