
54个屋顶屋面排烟口、风井、采光井等节点详常用做法图集

54个屋顶屋面排烟口、风井、采光井等节点详常用做法图集

54个屋顶屋面排烟口、风井、采光井等节点详常用做法图集
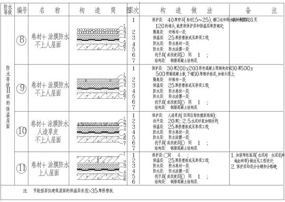
本资料为54个屋顶屋面排烟口、风井、采光井等节点详常用做法图集,其包含的内容为保温屋面构造详图,发电机排烟井详图,屋面变形缝详图,等内容,设计详实规范,可供下载参考。

54个屋顶屋面排烟口、风井、采光井等节点详常用做法图集

54个屋顶屋面排烟口、风井、采光井等节点详常用做法图集

54个屋顶屋面排烟口、风井、采光井等节点详常用做法图集
本资料为54个屋顶屋面排烟口、风井、采光井等节点详常用做法图集,其包含的内容为保温屋面构造详图,发电机排烟井详图,屋面变形缝详图,等内容,设计详实规范,可供下载参考。
声明:资源收集自网络或用户分享,仅供学习参考,如侵犯您的权益,请联系我们处理。
不能下载?报告错误