
某通用型号α角伺服器电气系统原理CAD图纸

某通用型号α角伺服器电气系统原理CAD图纸

某通用型号α角伺服器电气系统原理CAD图纸
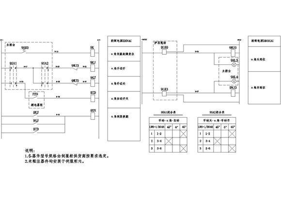
本资料为:某通用型号α角伺服器电气系统原理CAD图纸,资料内容包括:电气施工平面图,综合电气原理图,电路平面图等多种图纸,图纸符合标准,资料可靠,内容丰富,设计详细,可供参考。

某通用型号α角伺服器电气系统原理CAD图纸

某通用型号α角伺服器电气系统原理CAD图纸

某通用型号α角伺服器电气系统原理CAD图纸
本资料为:某通用型号α角伺服器电气系统原理CAD图纸,资料内容包括:电气施工平面图,综合电气原理图,电路平面图等多种图纸,图纸符合标准,资料可靠,内容丰富,设计详细,可供参考。
声明:资源收集自网络或用户分享,仅供学习参考,如侵犯您的权益,请联系我们处理。
不能下载?报告错误