当前位置:首页  资料内容详情

高粘度环氧树脂泵外形安装尺寸图

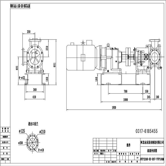
高粘度环氧树脂泵外形安装尺寸图 高粘度环氧树脂泵外形安装尺寸图,该泵为内齿轮旋转泵适合泵送各种粘度的液体.不能泵送含固体颗粒的液体

高粘度环氧树脂泵外形安装尺寸图

声明:本站为网络服务提供者及网络索引服务平台资源索引自网络/用户分享,如有版权问题,请联系站方删除。

不能下载?报告错误