规范网
更新
当前位置:
规范网
资料
内容详情
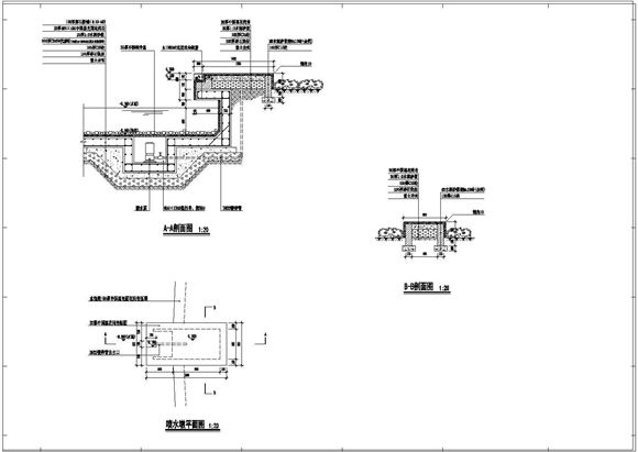
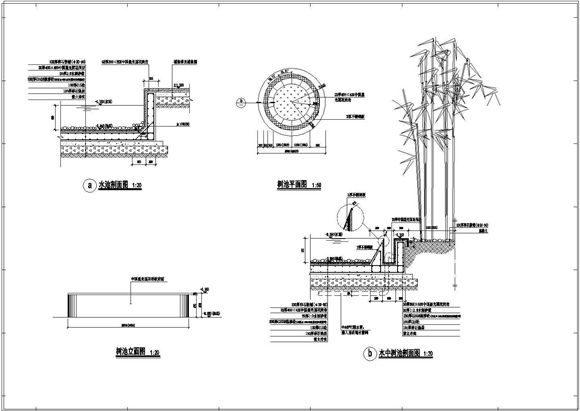
景观水池及水中树池做法详图
景观水池及水中树池做法详图
景观水池及水中树池做法详图
景观水池及水中树池做法详图
景观水池及水中树池做法详图。
加入收藏
下载文件
声明:资源收集自网络或用户分享,仅供学习参考,如侵犯您的权益,请联系我们处理。
不能下载?报告错误
下页:
中心规划与设计图
相关推荐
坡面屋顶阵列前后间距计算和遮挡物影长计算公式V1.1
光伏专用电缆选型计算,汇流箱至逆变器电缆选型计算,短路电流计算,组串数量计算
风力发电经济评价模型案例
风电 水电效益测算分析表
分布式光伏工程报价参考计算表格
景观水池及水中树池做法详图
下载文件
免费下载
标签
指导性国家标准
转正申请
螺丝标准
个人总结
钢丝绳标准
国家物资储备规范
讲话稿
cad制图标准
外经贸规范
重庆市标准
密封圈标准
江西省标准
地震规范
螺钉标准
钢管标准
销售总结
装修
锻件标准
安徽省标准
农业规范
思想汇报
暖通
个人工作计划
信息总结
牛奶标准
照明标准
电动车标准
湖北省标准