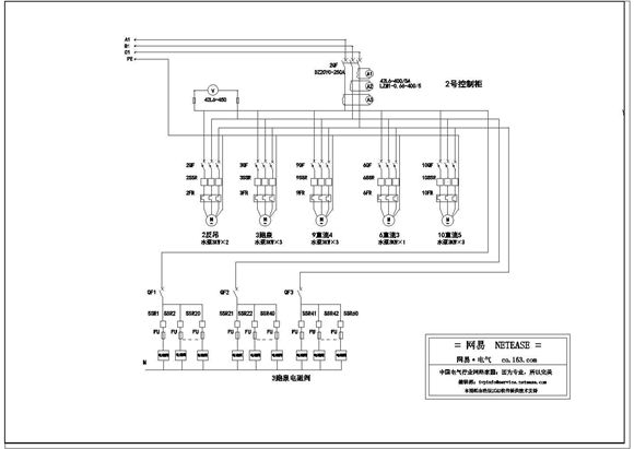
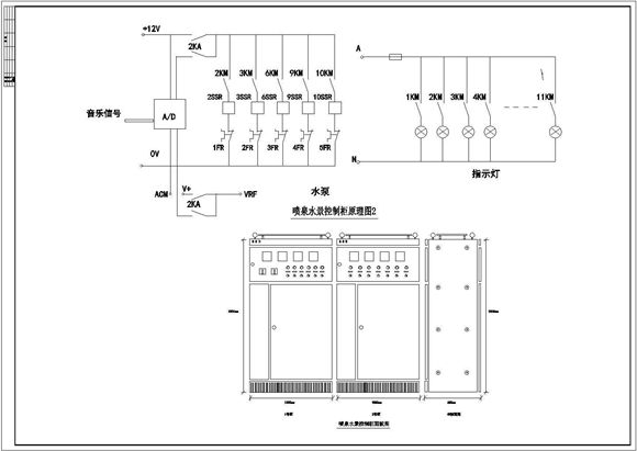
某音乐喷泉电气系统及控制原理接线图 某音乐喷泉电气系统及控制原理接线图 某音乐喷泉电气系统及控制原理接线图 本图纸为某音乐喷泉电气系统及控制原理接线图,包括喷泉水景控制柜面板图,控制柜系统图,喷泉水景控制柜原理图等,可以借鉴学习。
某音乐喷泉电气系统及控制原理接线图
某音乐喷泉电气系统及控制原理接线图 某音乐喷泉电气系统及控制原理接线图 某音乐喷泉电气系统及控制原理接线图 本图纸为某音乐喷泉电气系统及控制原理接线图,包括喷泉水景控制柜面板图,控制柜系统图,喷泉水景控制柜原理图等,可以借鉴学习。
某音乐喷泉电气系统及控制原理接线图