
公路桥梁路肩防撞护栏通用结构钢筋图

公路桥梁路肩防撞护栏通用结构钢筋图
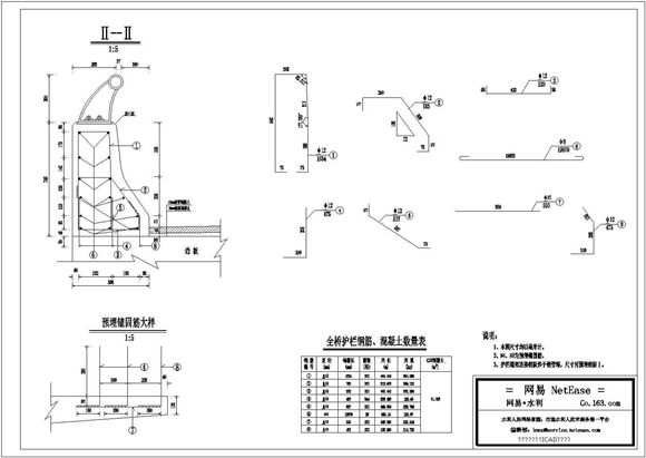
本图纸共两张,为公路方庄护拦结构钢筋图。图纸包含:桥上防撞护栏布置立面图、铸钢支承架大样、护栏端部大样、全桥护栏材料数量表、预埋钢板Ⅰ、Ⅱ大样、预埋锚固筋大样、钢筋详图等。

公路桥梁路肩防撞护栏通用结构钢筋图

公路桥梁路肩防撞护栏通用结构钢筋图
本图纸共两张,为公路方庄护拦结构钢筋图。图纸包含:桥上防撞护栏布置立面图、铸钢支承架大样、护栏端部大样、全桥护栏材料数量表、预埋钢板Ⅰ、Ⅱ大样、预埋锚固筋大样、钢筋详图等。
声明:资源收集自网络或用户分享,仅供学习参考,如侵犯您的权益,请联系我们处理。
不能下载?报告错误