规范网
更新
当前位置:
首页
资料
内容详情
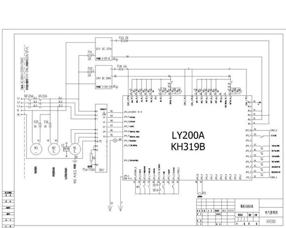
变频式洗衣机电气原理图
帮助
举报
收藏
上传文档
下载
预览图
变频式洗衣机电气原理图 工业洗衣机电气原理图
变频式洗衣机电气原理图
收藏
下载
声明:本站为网络服务提供者及网络索引服务平台资源索引自网络/用户分享,如有版权问题,请
联系
站方删除。
不能下载?报告错误
下页:
滨水景观设计方案全套
相关推荐
QGDW 11656-2025 配电线路金具技术规范
QGDW 11646-2025 7.2kV40.5kV绝缘管型母线技术规范
QGDW 11250.3-2025 中压开关技术规范 第3部分 中压开关柜
QGDW 11250.2-2025 中压开关技术规范 第2部分 环网柜(箱)
QGDW 10393.3-2025 变电站设计规范 第3部分 220kV变电站
变频式洗衣机电气原理图
下载
免费下载
用户名称:
摩托撒手
注册时间:
2023-02-20
认证方式:
手机认证
资源帮助
上传文档
标签
电缆标准
安全带标准
蝶阀标准
城镇建设规范
平垫圈标准
电气设计cad
生产总结
螺母标准
国家物资储备规范
12j201
污染物排放标准
教师工作计划
江西省标准
食品标准
金融规范
机械制图标准
阀门标准
热电偶标准
青海省标准
内蒙古自治区标准
土地管理规范
河南省标准
安徽省标准
项目申请
电子规范
社会实践报告
会议标准
测绘规范