
10kV配电室全套一次二次系统设计图

10kV配电室全套一次二次系统设计图

10kV配电室全套一次二次系统设计图
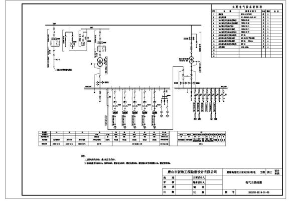
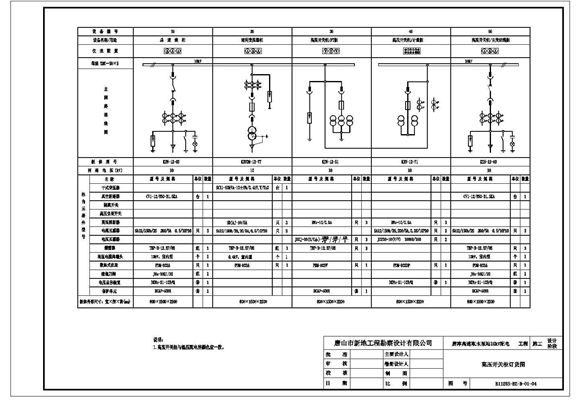
10kV配电室全套详细的设计图纸,内容包括:图纸目录,电气主接线,订货图,防雷接地,动力照明等部分,配套的二次原理设计图,希望对大家有所帮助

10kV配电室全套一次二次系统设计图

10kV配电室全套一次二次系统设计图

10kV配电室全套一次二次系统设计图
10kV配电室全套详细的设计图纸,内容包括:图纸目录,电气主接线,订货图,防雷接地,动力照明等部分,配套的二次原理设计图,希望对大家有所帮助
声明:资源收集自网络或用户分享,仅供学习参考,如侵犯您的权益,请联系我们处理。
不能下载?报告错误