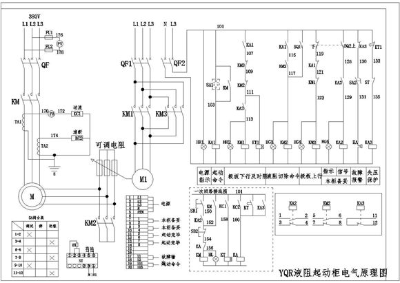
液阻启动柜电气原理图及使用说明书 液阻启动柜电气原理图及使用说明书 液阻启动柜电气原理图及使用说明书 图纸主要是液阻启动柜的电气原理图及使用说明书详解,主要介绍了设备的使用原理及型号介绍,调试及使用说明,设备电源控制柜图纸,设备本身的电气原理图及接线图,请需要的专业人员下载参考。
液阻启动柜电气原理图及使用说明书
液阻启动柜电气原理图及使用说明书 液阻启动柜电气原理图及使用说明书 液阻启动柜电气原理图及使用说明书 图纸主要是液阻启动柜的电气原理图及使用说明书详解,主要介绍了设备的使用原理及型号介绍,调试及使用说明,设备电源控制柜图纸,设备本身的电气原理图及接线图,请需要的专业人员下载参考。
液阻启动柜电气原理图及使用说明书