
4、5、30、50、80、100立方沼气池设计施工图

4、5、30、50、80、100立方沼气池设计施工图

4、5、30、50、80、100立方沼气池设计施工图
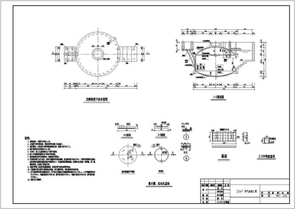
4、5、30、50、80、100立方沼气池设计施工图,图纸共6张,为沼气池标准图集GBT4750-2002中的标准图。

4、5、30、50、80、100立方沼气池设计施工图

4、5、30、50、80、100立方沼气池设计施工图

4、5、30、50、80、100立方沼气池设计施工图
4、5、30、50、80、100立方沼气池设计施工图,图纸共6张,为沼气池标准图集GBT4750-2002中的标准图。
声明:资源收集自网络或用户分享,仅供学习参考,如侵犯您的权益,请联系我们处理。
不能下载?报告错误