当前位置:首页  资料内容详情

各种钢筋混凝土结构楼梯结构施工图大全

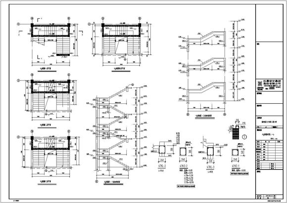
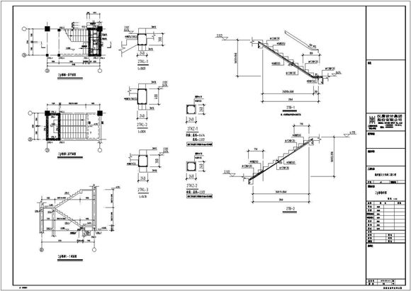
各种钢筋混凝土结构楼梯结构施工图大全 各种钢筋混凝土结构楼梯结构施工图大全 各种钢筋混凝土结构楼梯结构施工图大全 该图纸为各种钢筋混凝土结构楼梯结构施工图大全,图纸包括:各种楼梯平面图、踏步板详图及节点详图等。

各种钢筋混凝土结构楼梯结构施工图大全

声明:本站为网络服务提供者及网络索引服务平台资源索引自网络/用户分享,如有版权问题,请联系站方删除。

不能下载?报告错误