规范网
更新
当前位置:
规范网
资料
内容详情
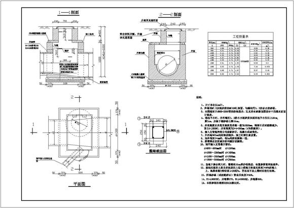
矩形直线砖砌雨水检查井大样图(标准图)
矩形直线砖砌雨水检查井大样图(标准图)
图纸为矩形直线砖砌雨水检查井大样图管径为D300~D2000
加入收藏
下载文件
声明:资源收集自网络或用户分享,仅供学习参考,如侵犯您的权益,请联系我们处理。
不能下载?报告错误
下页:
某污水处理厂生物接触氧化池平面图剖面图
相关推荐
坡面屋顶阵列前后间距计算和遮挡物影长计算公式V1.1
光伏专用电缆选型计算,汇流箱至逆变器电缆选型计算,短路电流计算,组串数量计算
风力发电经济评价模型案例
风电 水电效益测算分析表
分布式光伏工程报价参考计算表格
矩形直线砖砌雨水检查井大样图(标准图)
下载文件
免费下载
标签
轻工业规范
山西省标准
蝶阀标准
教育规范
硬度标准
卫生规范
包装标准
宁夏回族自治区标准
放假通知
线材标准
16s518
安全标准
吉林省标准
电缆标准
12j003
林业规范
物资管理规范
个人总结
项目总结
销售总结
02j331
钢管标准
工程总结
不锈钢标准
过滤器标准
学习总结
噪声标准
建筑工程规范