规范网
更新
当前位置:
首页
标准
行业标准
内容详情
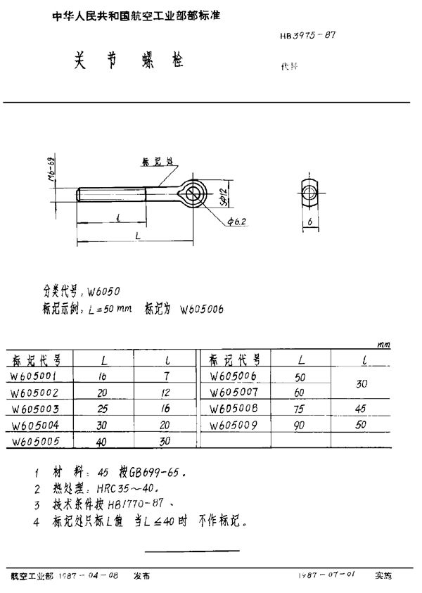
关节螺栓 (HB 3975-1987)
下载
帮助
举报
收藏
上传文档
下载
预览图
用户名称:
ISO认证-Zhang
注册时间:
2024-06-17
认证方式:
手机认证
标准号HB 3975-1987状态
发布于:
实施于:
关节螺栓基本信息
标准号:HB 3975-1987
标准名称:关节螺栓
收藏
下载
声明:本站为网络服务提供者及网络索引服务平台资源索引自网络/用户分享,如有版权问题,请
联系
站方删除。
不能下载?报告错误
下页:
紧定螺钉 (HB 3976-1987)
相关推荐
关节螺栓 (HB 1602-1987)
8mm槽系组合夹具紧固件 关节螺栓 (JB/T 5370.9-1991)
16mm槽系组合夹具紧固件 关节螺栓 (JB/T 6188.4-1992)
大型系列组合夹具紧固件 关节螺栓 (HB 7148.4-1995)
关节螺栓 (HB 3975-1987)