规范网
更新
当前位置:
首页
标准
行业标准
内容详情
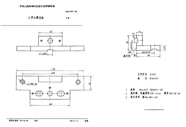
B型凸模连板 (HB 4096-1988)
下载
帮助
举报
收藏
上传文档
下载
预览图
用户名称:
敏感之花
注册时间:
2024-07-03
认证方式:
手机认证
标准号HB 4096-1988状态
发布于:
实施于:
B型凸模连板基本信息
标准号:HB 4096-1988
标准名称:B型凸模连板
收藏
下载
声明:本站为网络服务提供者及网络索引服务平台资源索引自网络/用户分享,如有版权问题,请
联系
站方删除。
不能下载?报告错误
下页:
小孔卸料套 (HB 4105-1988)
相关推荐
B型凸模连板 (HB 4096-1988)
小型组合弯曲模元件 B型凸模压块 (QJ 2534.4-1993)
小型组合弯曲模元件 B型凸模 (QJ 2533.6-1993)