规范网
更新
当前位置:
首页
范文
内容详情
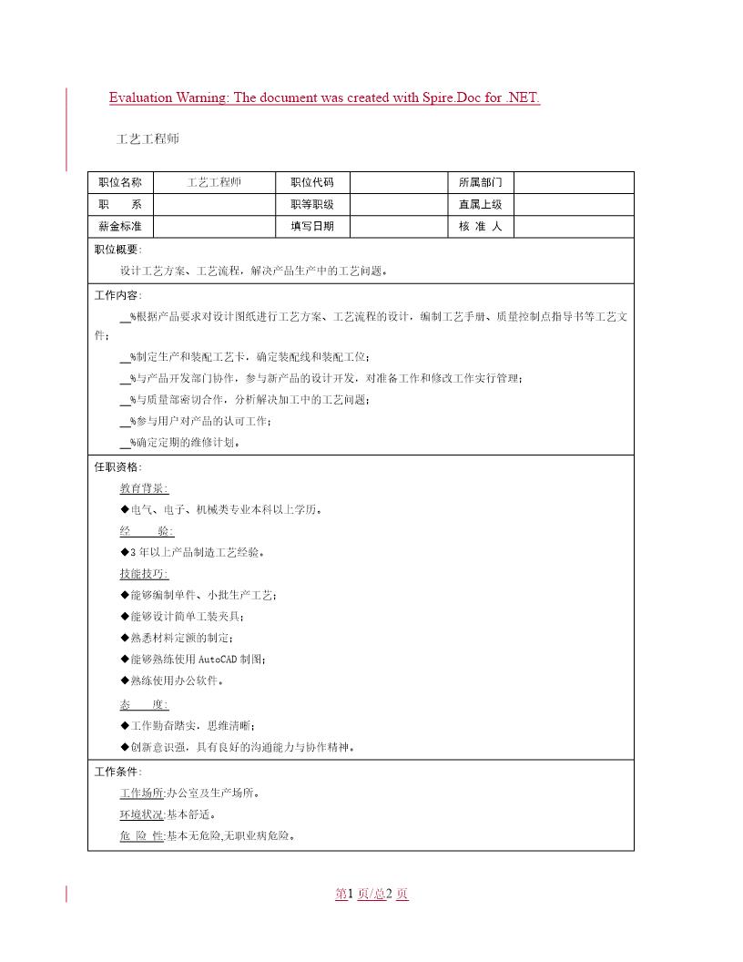
职位说明书 工艺工程师
帮助
举报
收藏
上传文档
下载
预览图
职位说明书 工艺工程师(2页)
职位说明书 工艺工程师
收藏
下载
声明:本站为网络服务提供者及网络索引服务平台资源索引自网络/用户分享,如有版权问题,请
联系
站方删除。
不能下载?报告错误
下页:
学校安全宣传周活动方案
相关推荐
(计算机硬件 网络)职位说明书
职位说明书 通讯工程师
职位说明书 公关主管
(技工)职位说明书
职位说明书 渠道经理
职位说明书 工艺工程师
下载
免费下载
用户名称:
-简单0672
注册时间:
2025-08-26
认证方式:
手机认证
资源帮助
上传文档
标签
离职申请
建筑标准
地质矿产规范
兵工民品规范
学期总结
体育规范
教师工作计划
电气
数据标准
布线标准
单位总结
退刀槽标准
密封圈标准
垫圈标准
云南省标准
党员总结
电影规范
安全帽标准
家长会发言稿
卫生规范
放假通知
胶合板标准
机械规范
安全带标准
建筑材料规范
iec标准
航天规范
城市道路