规范网
更新
当前位置:
首页
范文
内容详情
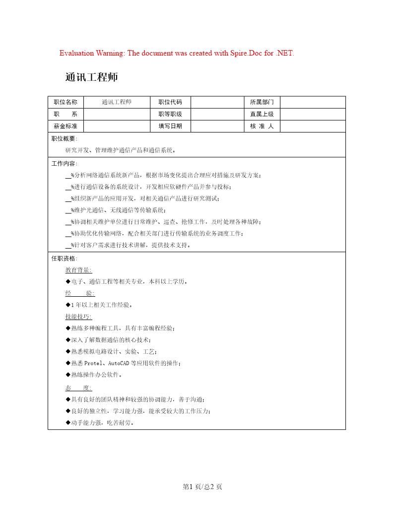
职位说明书 通讯工程师
帮助
举报
收藏
上传文档
下载
预览图
职位说明书 通讯工程师(2页)
职位说明书 通讯工程师
收藏
下载
声明:本站为网络服务提供者及网络索引服务平台资源索引自网络/用户分享,如有版权问题,请
联系
站方删除。
不能下载?报告错误
下页:
长沙市正鑫园林绿化工程有限公司章程(第二版)
相关推荐
(计算机硬件 网络)职位说明书
职位说明书 通讯工程师
职位说明书 公关主管
(技工)职位说明书
职位说明书 渠道经理
职位说明书 通讯工程师
下载
免费下载
用户名称:
-田8163
注册时间:
2025-06-28
认证方式:
手机认证
资源帮助
上传文档
标签
医院总结
电动车标准
建筑材料规范
农业规范
饮用水标准
甘肃省标准
江苏省标准
排放标准
胶合板标准
国密密码规范
螺母标准
暖通
粮食规范
15j403-1
公共安全规范
探伤标准
矿泉水标准
11zj901
司法规范
方案
中医药规范
出入境检验检疫规范
项目总结
新闻出版规范
认证认可规范
石油化工规范
卫生规范
垫片标准