规范网
更新
当前位置:
规范网
范文
内容详情
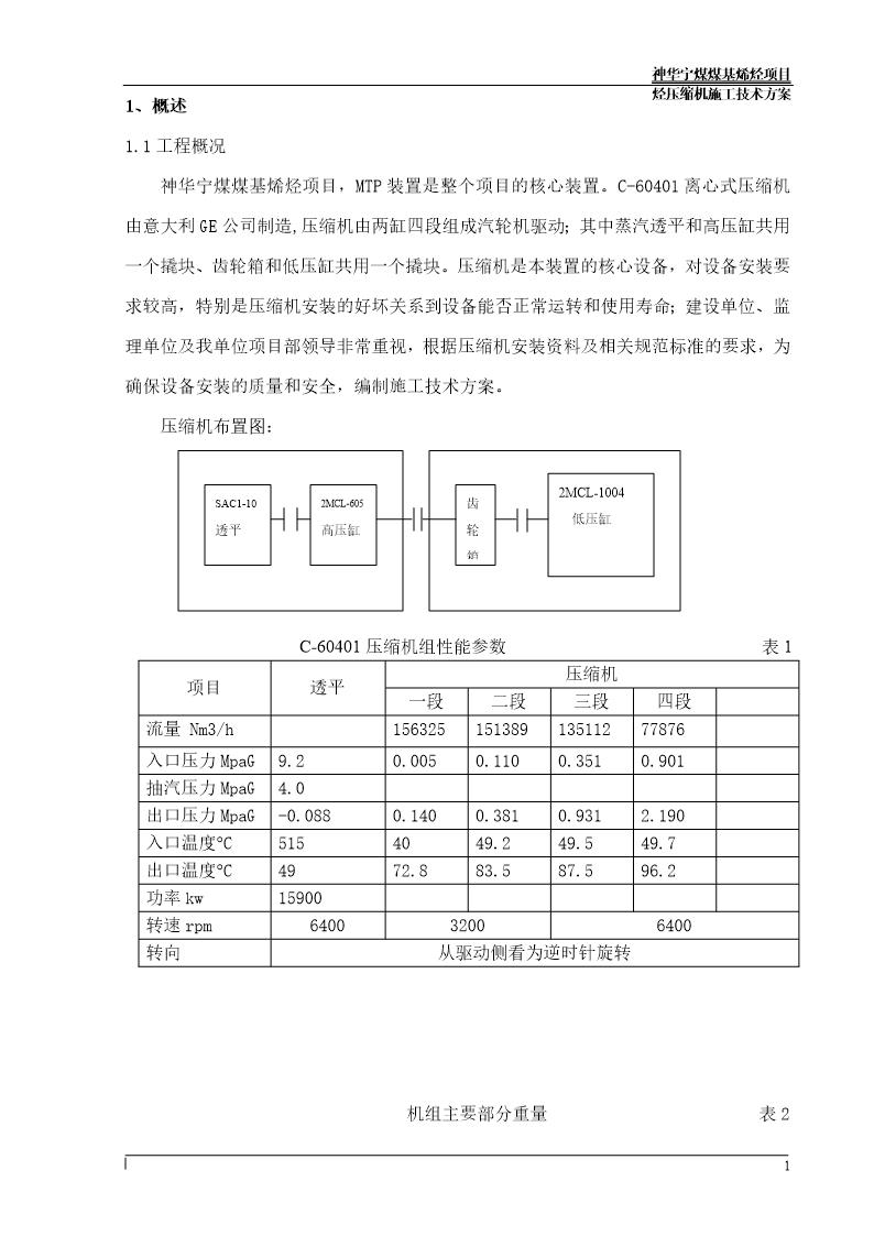
神华宁煤煤基烯烃项目C-60401离心式压缩机安装施工方案
神华宁煤煤基烯烃项目C-60401离心式压缩机安装施工方案 (神华宁煤产品)(25页)
加入收藏
下载文件
声明:资源收集自网络或用户分享,仅供学习参考,如侵犯您的权益,请联系我们处理。
不能下载?报告错误
下页:
某一级公路建设工程施工组织设计的文字说明
相关推荐
神华宁煤煤基烯烃项目C-60401离心式压缩机安装施工方案
神华宁煤煤基烯烃项目C-60401离心式压缩机安装施工方案
下载文件
免费下载
标签
纪检总结
iec标准
图集
文物保护规范
管螺纹标准
单位总结
法兰标准
螺钉标准
体育规范
电动车标准
四川省标准
食品添加剂标准
不锈钢标准
10j301
企业工作计划
管件标准
城镇建设规范
校车标准
食用盐标准
海南省标准
结构
学校通知
旅游规范
机关单位工作计划
口罩标准
热电偶标准
工业标准
家长会发言稿