规范网
更新
当前位置:
规范网
范文
内容详情
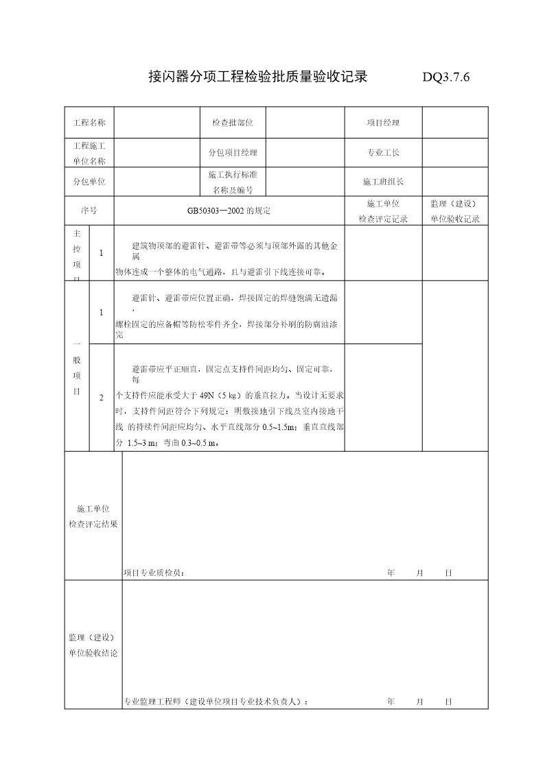
接闪器分项工程检验批质量验收记录
接闪器分项工程检验批质量验收记录 (接闪器施工规范)(2页)
加入收藏
下载文件
声明:资源收集自网络或用户分享,仅供学习参考,如侵犯您的权益,请联系我们处理。
不能下载?报告错误
下页:
钢井架安装卸工程施工安全技术交底(表格)
相关推荐
接闪器分项工程检验批质量验收记录
接闪器分项工程检验批质量验收记录
下载文件
免费下载
标签
学习总结
海南省标准
银行工作计划
电力规范
安全带标准
铆钉标准
退刀槽标准
17J927-1
申请书模板
稀土规范
技术总结
云南省标准
青海省标准
体育规范
无缝钢管标准
07sd101-8
污染物排放标准
单位总结
教师发言稿
电气安全标准
民政规范
城镇建设规范
供销合作规范
水产规范
档案规范
石油天然气规范
平垫圈标准
客服总结