如何计算空腹钢柱工程量?
空腹柱
清单工程量和定额工程量计算规则相同,均按设计图示尺寸以质量计算。不扣除孔眼、切边、切肢的质量,焊条、铆钉、螺栓等不另增加质量,不规则或多边形钢板,以其外接矩形面积乘以厚度乘以单位理论质量计算,依附在钢柱上的牛腿及悬壁梁等并人钢柱工程量内。
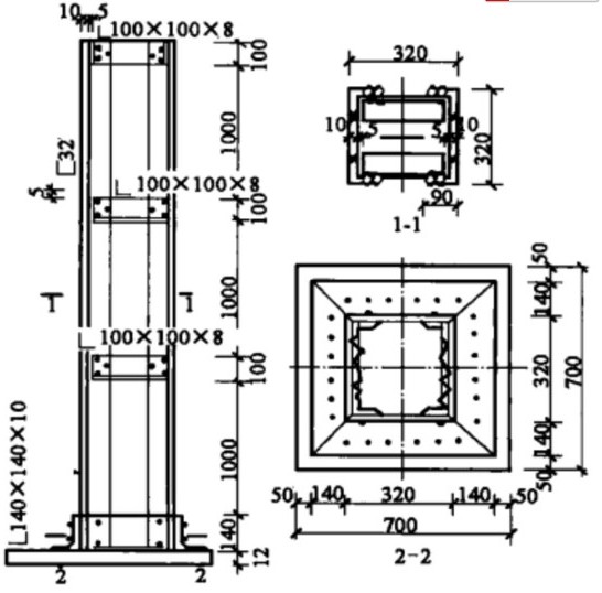
【例】如图所示为空腹钢柱,计算其钢柱工程量。

空腹钢柱示意图
【解】(1)定额工程量:
①[32槽钢:
[0.14+(1.0+0.1)3]43.252kg=297.56kg
②L1001008角钢:
(0.32-0.0052)12.2766kg=22.83kg
③底座L14014010:
(0.32+0.02)421.488kg=29.22kg
④-12钢板:
0.70.794.20kg=46.16kg
工程量合计:(297.56+22.83+29.22+46.16)kg-395.77kg=0.396t
套用基础定额12-4。
(2)清单工程量计算方法同定额工程鼍。
清单工程量计算见表。
