一、打桩工程常用数据
(1)打木制桩,钢筋混凝土板、方桩,管桩的土质取定见表11-22.

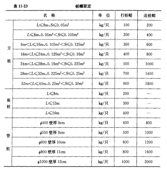
(2)打钢筋混凝土板、方桩和管桩的桩姆取定见表11-23.

(3)打桩工程辅助材料摊销取定见表11-24.

(4)打钢管桩的取定见表11-25.

二、钻孔灌注桩工程常用数据
护筒重量摊钠量计算见表11-26。

三、混凝土工程常用数据
(1)方、板桩权数取定见表11-27.

(2)各类构筑物每10m3混凝土模板接触面积见表11-28及表11-29.



(3)现浇混凝土模板、钢筋含最(每10m3混凝土)见表11-30.


(4)预制混凝土模板、钢筋含量(每10m3混凝土)见表11-31.


(5)现浇混凝土配合比见表11-32.



(6)预制混凝土配合比见表11-33.


(7)水下混凝土配合比见表11-34.

四、钢筋工程常用救据
(1)顶制构件10以内、10以上钥筋权数取定见表11-35.

(2)现浇结构钢筋10以内、10以上钢筋权数取定见表11-36.

五、桥梁构件安装常用数据
(1)安装空心板梁数据取定见表11-37.

(2)T形梁数据取定见表11-38.

(3)I形梁数据取定见表11-39.
