
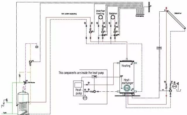
德国的热泵采暖工程图
太阳能、热泵等多热源配合,洗浴用水与热泵水分开
亮点:太阳能、热泵等多热源配合,洗浴水与热泵水分开。
亮点1:多热源配置:既有太阳能也有热泵,甚至还有备用电辅助;
亮点2:太阳能的水与采暖的水,都通过水水换热,严格不混水;
亮点3:洗浴用水与热媒水也是通过水水换热,严格不混水;
亮点4:每天地方的热媒水各自通过一个小泵进行驯化,而不是用一个大泵代替;
亮点5:洗浴热水回水循环是必备的,避免浪费水。
可以看到工程图上还有很多的阀件、传感器、膨胀罐等等。要知道,这只是普通的家庭采暖系统,很多国内的消费者、经销商甚至是热泵厂家都觉得根本没那必要,我们国内的热泵采暖要求是物美价廉,能省则省。这才真正体现出德国人的严谨。
从上面的热泵采暖工程图我们就能知道,其实每个德国的家庭,都是按照一个热能源站的标准做的。这可能也是未来国内的家居系统发展设想家庭能源站,结合家庭大数据,分析出哪里需要冷,比如冰箱、饮水机、空调、新风处理,就送到哪里去,哪里需要热,如采暖、烘干、洗衣、洗浴,就送到哪里去,制冷同时再把热量回收备用!但这是一个很浩大的设想,任重道远。

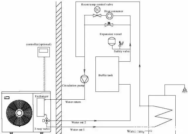
瑞典的热泵采暖
水泵加三通阀切换系统,洗浴用水与采暖用水分离
亮点1:热泵作为主热源,内置有电辅助;
亮点2:缓冲水箱是标配,且有很清晰的大小容量计算公式;
亮点3:用三通阀来切换洗浴和采暖的热需求;
亮点4:洗浴用水与热媒水通过水水换热,与德国系统一样严格不混水;
亮点5:此方案共用一个水泵。
两个水泵系统,洗浴用水与采暖用水分离
亮点1:多热源配置:既有太阳能也有热泵,甚至还有备用电辅助;
亮点2:太阳能的水与采暖的水,都通过水水换热,严格不混水;
亮点3:洗浴用水与热媒水也是通过水水换热,严格不混水;
亮点4:每天地方的热媒水各自通过一个小泵进行循环,而不是用一个大泵代替;
亮点5:此方案用两个水泵,分别满足热水和采暖需求。

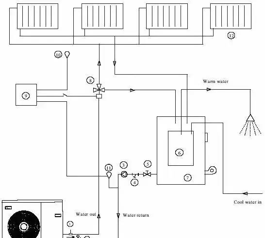
热泵配合壁挂炉做暖气片采暖系统
亮点1:热泵作为主热源,同时配有壁挂炉或电辅助加热;
亮点2:用三通阀来切换洗浴和采暖的热需求;
亮点3:洗浴用水与热媒水通过水水换热,与德国系统一样严格不混水;
亮点4:此方案共用一个水泵;
亮点5:暖气片都是并联安装,减少水阻力。
从上述的热泵供暖图可以总结出两点:1、空气源热泵供暖,欧洲已非常成熟。特别是热泵配散热器(暖气片)采暖,在国外也已经成熟。2、不管是德国还是瑞典的热泵采暖方案,都有多热源供应,都是生活用水和采暖用水分开处理,不混水。
国人很多人认为洗浴热水要高点才好,最好50~60℃,水水换热怎么能做到如此高的温度?其实欧洲人做水水换热,一是保证系统的可靠性,二是对身体有接触的水要求很严格,三只要管路有好的保温、有完善的回水循环,洗浴热水在45℃以上,已经足够。
另外,国外的热泵配置,负荷取值基本都是40~60瓦/平方(w/㎡),这点在国内根本行不通,主要原因是国内很多地方的建筑保温差,虽然国家近年提升了建筑节能标准,但在农村、城乡结合部、老城区的房屋保温情况并未改观,特别是南方采暖的客户,在德国人眼里,简直就等同于没有保温!