
不难看出,它们有着相似之处;电路结构形式相似,功能相同。但梯形图符号却简单得多。梯形图是根据控制要求连接而成的表示PLC的输出(图中Y0)和输入(图中X1,X2,Y0)直接逻辑关系的图形,信号流向清楚,直观易懂,不需要计算机专业知识,对于熟悉继电器控制系统电气原理图的人来说容易接受。
正因为梯形图和继电控制电路图有着相对应的关系,所以易被电气技术人员所学习,理解和使用。但梯形图与继电控制电路图相对应,绝不是一一对应的关系。由于 PLC 在结构上,工作原理上都和继电控制系 统截然不同,因而他们之间必定存在着许多差异。初学者可以通过继电控制电路图切入梯形图,但一旦入了门,就要完全离开继电控制电路图 的思维方式。
比较一下电气控制图和梯形图,再运用我们所学过的知识,我们能了解一下它们之间的差异。
1、在继电控制图中,所有符号均表示器件实体。按钮,开关,接触器。 电磁阀等。而且,他们的符号表示也会有区别,而在梯形图中,不存在器件实体,其符号表示的是 PLC 内部称之为编程元件的软继电器,表示也大为简化,所有软继电器的触点,均统一为常开,常闭的两种表述。
2、在继电控制图中,我们可以根据电流的流向来判断负载元件是否得电或失电。在梯形图中,不存在所谓的电流,但可以仿造电流的方法,假设有一个能流(又叫信号流)从左到右自上而下的流动,流到输出继电器 Y(M,S,T,C)则他们导通。
3、在继电控制图中,线圈得电和触点动作是同时进行的(并行),而在梯形图中,其工作是逐行扫描进行的(串行),因而其触点并不和线圈同时工作,这一点在通常情况下,差别并不大而在响应要求较高时,则会明显的不同。
4、在继电控制图中,继电器的触点是有限的。而在梯形图中,软继电器的触点使用是无限的。但在梯形图中线圈只能出现一次,不允许重复使用,这一点倒是和继电控制一样。
对于初学PLC的人来说,我们建议,你可以从简单到复杂,多找一 些继电控制电路图,然后根据梯形图的一些要求,把它们改画成梯形图,比较它们的差异,这样可以加深对梯形图的理解,也会加快用梯形图来编制程序的学习过程。
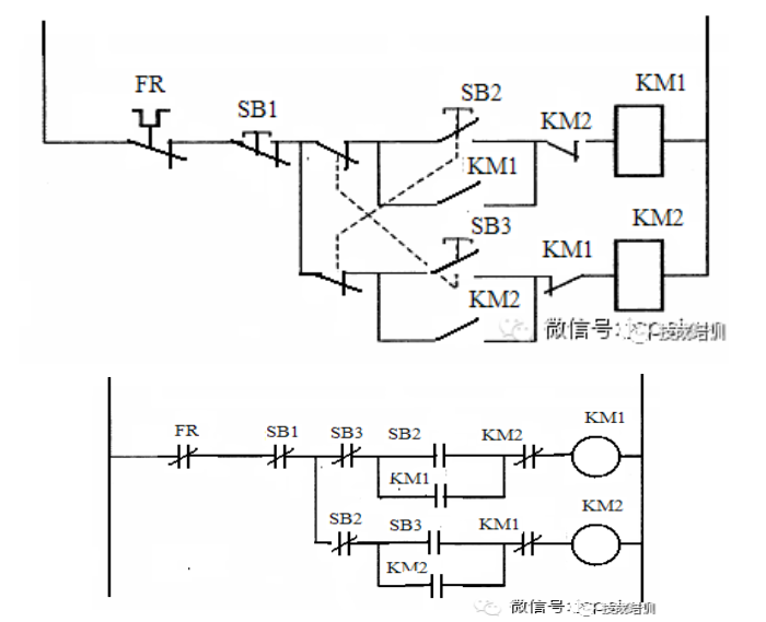
现举一例加以说明,如图,上图为一正反转控制电路图,改画成梯形图见下图。

这是完全照继电控制电路画成的梯形图,原则上,这也是一个可用 的PLC的梯形图。但根据梯形图编制原则,要进行适当修改,(详细的梯形图编制原则我们会逐步介绍)。修改后的梯形图如下。
把修改后的梯形图和上面的梯形图比较一下,就会发现有三点不同。

1、图中的符号变了。用X001表示SB2,用Y000表示KM1等等。这样,就引出了梯形图的PLC控制I/O口地址分配问题,也就是说,当我们应用PLC代替继电控制时。所有的输入器件必须接到输入口X上,所有被驱动的负载必须接到输出口Y上,因此,必须对这些接入和接出进行接口地址分配,这样,我们才能在分析梯形图时,知道那个接口地址表示是哪一个动作元件,其在梯形图中所起作用是否与设计相符。在设计梯形图程序前,先对PLC的I/O口地址进行分配,这是一项必须要做的工作。
下表为正反转控制电路PLC的I/O口地址进行分配表:

与其相应的PLC外部电器元件接线图如下: 从这个例子中,我们可以体会到从继电控制到PLC控制的异同了。
2、把SB(X000)停止按钮和FR(X003)热继电器常闭触点分别画入了KM1(Y000)正转和KM2(Y001)反转回路中,在继电器控制回路中,这样做会要求增加器件或改换器件,不论如何做,都会增加成本和使控制线路变复杂,但在PLC的梯形图却很容易做到,只要改变图型的结构就行,这就是梯形图中触点可以无限取用的优点所在了。特别是辅助继电器M,可以代替大量的中间继电器硬件。应用非常方便。
3、我们会发现,在梯形图中,输出Y与输入X之间的逻辑关系非常清晰,一目了然。这也是继电控制电路图难于做到的。
必须说明,这个例子仅是说明如何从继电控制电路转换成梯形图,不代表这是电机正反转的唯一梯形图程序。