规范网
首页
资料
知识
标准
当前位置:
规范网
知识
监理怎样做好隐蔽工程验收13个问题告诉你答案!
工程监理知识:监理怎样做好隐蔽工程验收13个问题告诉你答案!
建筑设计攻略之酒店建筑设计要点大全
建筑设计知识:建筑设计攻略之酒店建筑设计要点大全
快速了解甲方造价的核心要点知识
工程造价知识:快速了解甲方造价的核心要点知识
住宅小区绿化景观应该怎么设计
园林景观知识:住宅小区绿化景观应该怎么设计
工程结算审核控制办法模板
工程造价知识:工程结算审核控制办法模板
让你看懂建筑施工图的八个技巧
建筑设计知识:让你看懂建筑施工图的八个技巧
告诉你,一套完整的景观施工图都有些啥!
园林景观知识:告诉你,一套完整的景观施工图都有些啥!
干货!超全面的景观施工图设计要点!
园林景观知识:干货!超全面的景观施工图设计要点!
建筑工地钢筋、砌块送试实例
施工技术知识:建筑工地钢筋、砌块送试实例
灰土挤密桩是什么灰土挤密桩如何施工
施工技术知识:灰土挤密桩是什么灰土挤密桩如何施工
建筑施工安全的64问答,快来接收吧!
施工技术知识:建筑施工安全的64问答,快来接收吧!
各种桥梁支座施工工艺大盘点
市政工程知识:各种桥梁支座施工工艺大盘点
电工导线的连接有哪些要求和方法
建筑电气知识:电工导线的连接有哪些要求和方法
10kV高压开关柜柜体设计中哪些需要注意要点!
建筑电气知识:10kV高压开关柜柜体设计中哪些需要注意要点!
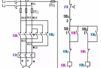
按钮、接触器双重联锁控制线路优缺点!
建筑电气知识:按钮、接触器双重联锁控制线路优缺点!
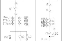
10kV开关柜二次接线重要知识要点
建筑电气知识:10kV开关柜二次接线重要知识要点
电气设备安装工程有哪七大组成部分
建筑电气知识:电气设备安装工程有哪七大组成部分
施工现场临时用电57条安全知识
建筑电气知识:施工现场临时用电57条安全知识
最全面的电气接地施工规范要求
建筑电气知识:最全面的电气接地施工规范要求
“多审合一”施工图审查过程中有争议的常见问题及处理意见
建筑电气知识:“多审合一”施工图审查过程中有争议的常见问题及处理意见
首页
上一页
572
573
574
575
576
577
578
579
下一页
尾页