规范网
更新
当前位置:
规范网
资料
内容详情
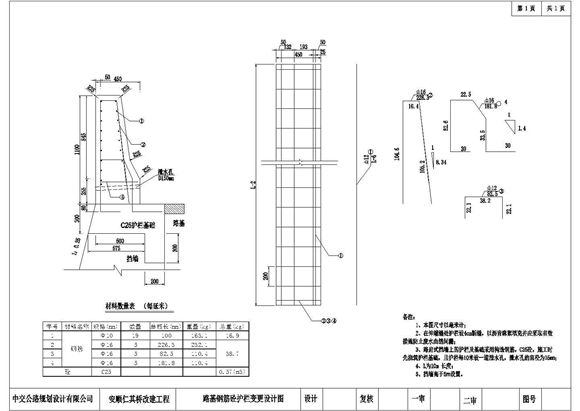
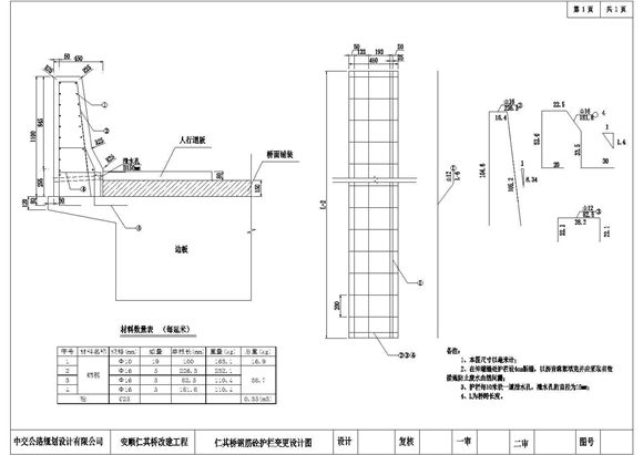
防撞护栏结构施工图(路基钢筋砼护栏变更设计图)
防撞护栏结构施工图(路基钢筋砼护栏变更设计图)
防撞护栏结构施工图(路基钢筋砼护栏变更设计图)
道桥设计用,仅供参考,是路基钢筋砼护栏很好的参考样板。
加入收藏
下载文件
声明:资源收集自网络或用户分享,仅供学习参考,如侵犯您的权益,请联系我们处理。
不能下载?报告错误
下页:
带斜拉杆钢结构玻璃雨篷(含节点详图)
相关推荐
坡面屋顶阵列前后间距计算和遮挡物影长计算公式V1.1
光伏专用电缆选型计算,汇流箱至逆变器电缆选型计算,短路电流计算,组串数量计算
风力发电经济评价模型案例
风电 水电效益测算分析表
分布式光伏工程报价参考计算表格
防撞护栏结构施工图(路基钢筋砼护栏变更设计图)
下载文件
免费下载
标签
05j909
螺纹标准
暖通
贵州省标准
食品标准
旅游规范
浙江省标准
12j201
口罩标准
型钢标准
核工业规范
edi标准
党员总结
纺织规范
密封圈标准
煤炭规范
石油天然气规范
工作通知
烟草规范
圆钢标准
校车标准
电动自行车标准
动力学
15s202
陕西省标准
16s518
国内贸易规范
甘肃省标准