
s7-200smart系列模块端子图外形尺寸图

s7-200smart系列模块端子图外形尺寸图

s7-200smart系列模块端子图外形尺寸图
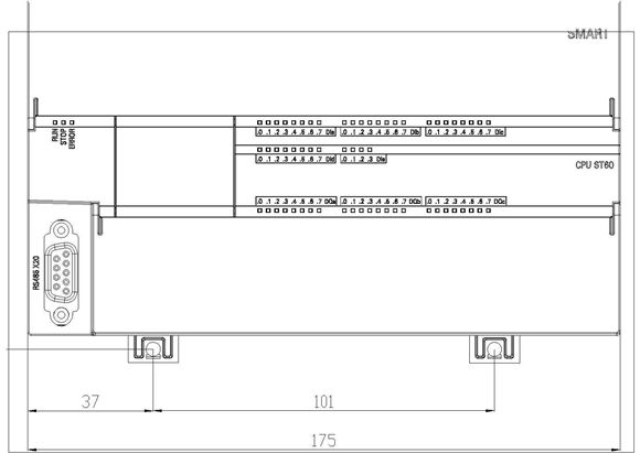
西门子即将升级推出的s7-200smart系列的所有模块,按实物比例绘制,外形、端子排布、尺寸反应客观真实。为方便阅读另存为了cad2004格式。

s7-200smart系列模块端子图外形尺寸图

s7-200smart系列模块端子图外形尺寸图

s7-200smart系列模块端子图外形尺寸图
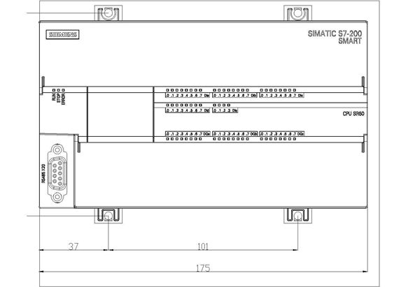
西门子即将升级推出的s7-200smart系列的所有模块,按实物比例绘制,外形、端子排布、尺寸反应客观真实。为方便阅读另存为了cad2004格式。
声明:资源收集自网络或用户分享,仅供学习参考,如侵犯您的权益,请联系我们处理。
不能下载?报告错误