
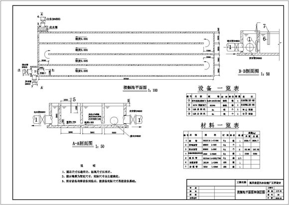
某接触消毒池平面图和剖面详细图纸
接触消毒池(disinfectingtank)指的是使消毒剂与污水混合,进行消毒的构筑物。主要功能:杀死处理后污水中的病原性微生物。污水处理厂常用消毒试剂:NaClO、液氯、CaClO等,其有效

某接触消毒池平面图和剖面详细图纸
接触消毒池(disinfectingtank)指的是使消毒剂与污水混合,进行消毒的构筑物。主要功能:杀死处理后污水中的病原性微生物。污水处理厂常用消毒试剂:NaClO、液氯、CaClO等,其有效
声明:资源收集自网络或用户分享,仅供学习参考,如侵犯您的权益,请联系我们处理。
不能下载?报告错误