当前位置:首页  资料内容详情

西门子PLC模拟量模块的外部接线图

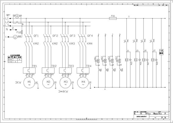
西门子PLC模拟量模块的外部接线图 西门子PLC模拟量模块的外部接线图 西门子PLC模拟量模块的外部接线图 本图纸详细说明了西门子PLC模拟量模块的外部接线方法,经过现场实践检验,采集数据准确可靠

西门子PLC模拟量模块的外部接线图

声明:本站为网络服务提供者及网络索引服务平台资源索引自网络/用户分享,如有版权问题,请联系站方删除。

不能下载?报告错误