规范网
更新
当前位置:
规范网
资料
内容详情
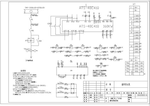
供水泵软启动二次原理接线图
供水泵软启动二次原理接线图
本图是这几年自己做的软起动原理图,经过验证。图纸内容包括:原理接线图,可供参考。
加入收藏
下载文件
声明:资源收集自网络或用户分享,仅供学习参考,如侵犯您的权益,请联系我们处理。
不能下载?报告错误
下页:
0.4KV低压配电柜(MNS)全套设计图
相关推荐
坡面屋顶阵列前后间距计算和遮挡物影长计算公式V1.1
光伏专用电缆选型计算,汇流箱至逆变器电缆选型计算,短路电流计算,组串数量计算
风力发电经济评价模型案例
风电 水电效益测算分析表
分布式光伏工程报价参考计算表格
供水泵软启动二次原理接线图
下载文件
免费下载
标签
土地管理规范
质量管理体系标准
林业规范
止回阀标准
建筑标准
校车标准
花键标准
供销合作规范
广播稿
石油化工规范
档案规范
劳动和劳动安全规范
项目总结
水利
申请书模板
上海市标准
放假通知
电气安全标准
噪声标准
新闻出版规范
07sd101-8
水利规范
企业工作计划
胶合板标准
排放标准
数据标准
学校工作计划
出差申请